e50B2電能模塊接線詳細說明
接線為了避免失真,采用平行導線控制功率和電壓輸入。下面的符號被用在下面幾頁的接線圖。符號說明電壓隔離開關熔斷器(安裝有責任確保符合當地的要求。無熔斷器包括與儀表。)接地電流傳感器電壓互感器保護用含有保險絲或斷開斷路器電壓斷開開關。的保護裝置必須額定可用的短路電流在連接點。
圖解在各種環境下的電流和電壓接線方法,以下是圖標注釋,
:電壓斷開開關
:保險絲(安裝程序負責確保遵守當地要求.沒有保險絲包含在表.)
:接地線
:電流互感器
:電壓互感器
:包含一個電壓斷開保護用保險絲或斷路開關.保護裝置必須被評為在連接可用短路電流點.
線路圖
電流互感器極性不敏感。無需觀察的方向。
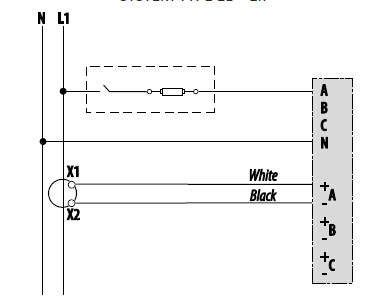
圖1:單相線對中性兩線制1 CT 系統類型1L+1N
圖2:單相線到線兩線制1 CT 系統類型2L
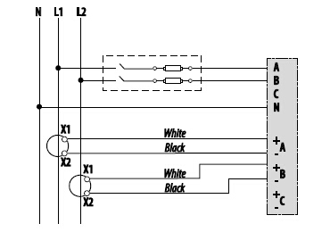
圖3:單相直流電壓連接2 CT 系統類型2L+1N
圖4:三相三線制3 CT無PT 系統類型3L
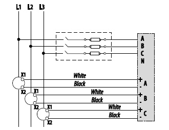
圖5:3相4線星形直接電壓輸入連接3 CT 系統類型3L+1N

圖6:3相4線星形連接3 CT3 PT 系統類型3L+1N





